Надежное решение для монтажа: Фланец гидромотора серии ММ
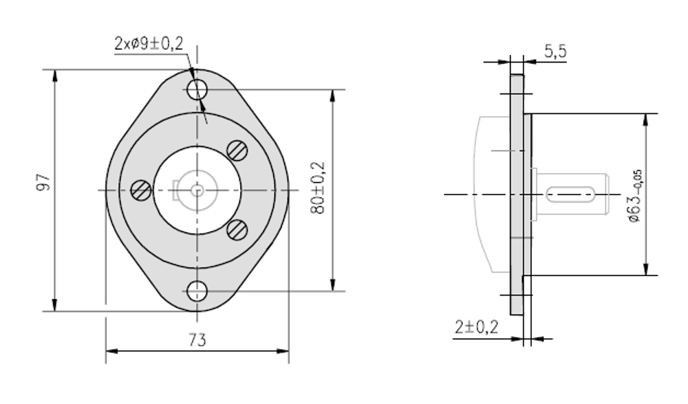
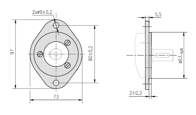
В промышленной гидравлике надежность системы определяется качеством каждой детали, включая вспомогательные элементы крепления. Фланец для гидромоторов серии ММ — это специализированный монтажный компонент, разработанный для обеспечения жесткой и соосной фиксации гидравлического двигателя на рабочем узле оборудования. Несмотря на свои компактные габариты, данная деталь берет на себя значительные статические и динамические нагрузки, возникающие в процессе работы гидропривода.
Конструктивные особенности и комплектация
Изделие спроектировано с учетом специфики эксплуатации малогабаритных гидромоторов серии ММ. Основная задача фланца — создать устойчивое соединение, которое исключает люфты и вибрации, способные привести к преждевременному износу вала или уплотнений мотора.
Одним из ключевых преимуществ данного предложения является полная готовность к установке. Вам не придется тратить время на поиск подходящего крепежа или подгонку метизов. В комплект поставки уже включены три специализированных винта размера M6x14. Эти винты оптимально подобраны по длине и прочностным характеристикам для надежного крепления фланца непосредственно к корпусу гидромотора. Такая комплектация позволяет сократить время простоя техники при проведении сервисных работ или первичной сборке гидросистемы.
Технические характеристики и эксплуатация
Фланец отличается исключительной легкостью — его вес составляет всего 0,2 кг. Это критически важно для мобильной гидравлики и компактных установок, где каждый лишний килограмм влияет на общую массу конструкции и энергоэффективность. При этом использование качественных материалов гарантирует устойчивость к коррозии и механическим деформациям.
Применение оригинального фланца от ТД МЗПО обеспечивает:
- Точную посадку без перекосов;
- Равномерное распределение нагрузки на крепежные отверстия;
- Долговечность соединения даже в условиях постоянных реверсивных нагрузок.
Сферы применения
Данный фланец широко востребован в отраслях, использующих легкую серию гидромоторов ММ: от сельскохозяйственной и коммунальной техники до небольших станков и конвейерных линий. Он незаменим там, где требуется передача крутящего момента в ограниченном пространстве при сохранении высокой надежности узла.
Выбирая фланец гидромотора ММ, вы получаете проверенное инженерное решение, которое минимизирует риски поломок, связанных с некорректным монтажом. Это инвестиция в бесперебойную работу вашего оборудования и снижение эксплуатационных расходов в долгосрочной перспективе.
