Описание
Характеристики
Отзывы
Описание
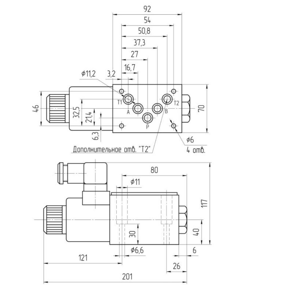
Гидрораспределители типа ВЕ10, являются золотниковыми распределителями с электромагнитным управлением, Ду 10 мм. Предназначены для управления клапанной гидроаппаратурой встраиваемого исполнения, а так же для управления потоками рабочей жидкости в гидравлических системах. Рабочая жидкость на минеральной основе (HL, HLP) согласно DIN 51524; биологически быстро разлагаемая рабочая жидкость согласно VDMA 24568; HETG (рапсовое масло); HEPG (полигликоль); HEES (синтетические эфиры). Гидрораспределители типа ВЕ10 состоят из корпуса с размещенным в нем золотником и каналами Р (присоединение напорной гидролинии), А и В (присоединение цилиндровых гидролиний) и Т (присоединение сливной гидролинии). Перемещение золотника осуществляется при помощи одного или двух (в зависимости от схемы) электромагнитов. При наладочных работах или в случае аварии (при обесточенных магнитах) переключение гидрораспределителя может осуществляться нажатием кнопки ручного управления электромагнита. Общие правила по технике безопасности при работе с гидрораспределителями типа ВЕ10 согласно ГОСТ 31177-2003.
Характеристики
Вид запчасти
Гидрораспределитель
Бренд_85
ГДРМ
Партномер (артикул производителя)
ВЕ10 574 В110
Длина, см
201
Ширина, см
70
Материал_7199
Сталь,
ABS пластик,
Чугун
Цвет товара
синий,
серебристый
Гарантийный срок
12 месяцев
Страна-изготовитель
Россия
Комплектация
Два уплотнителя контактной группы, две контактные группы, четыре присоединительных (посадочных) кольца
Вес с упаковкой, г
1619
Количество, штук
1
ТН ВЭД коды ЕАЭС
8481201009 - Клапаны регулирующие для маслогидравлических силовых трансмиссий, прочие
Отзывы
Отзывов еще никто не оставлял
